



塑膠行星齒輪減速箱
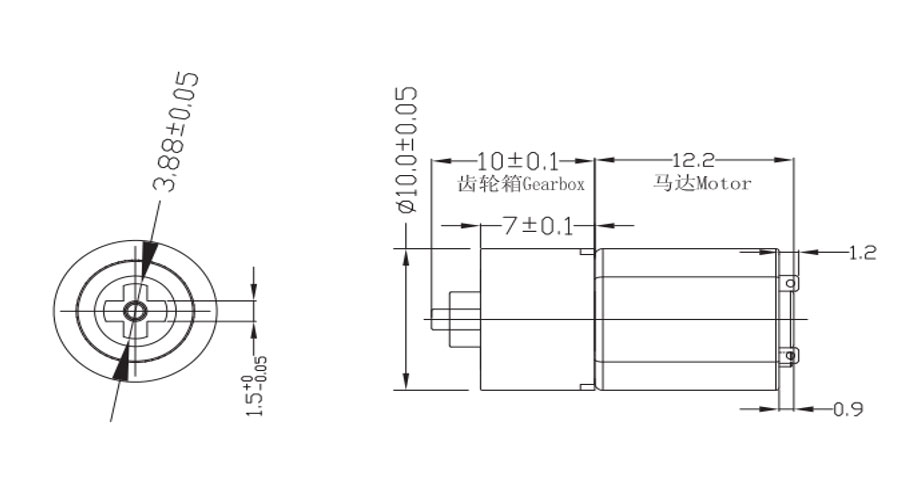
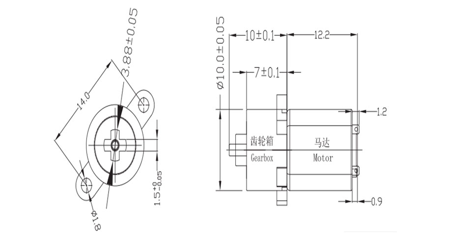
10mm塑膠行星齒輪減速箱是科華精密自主開發的係列標準品之一齒輪減速箱的材料選用的是高強度的塑膠材料。行星齒輪最小模數為0.15.齒輪箱的噪音低,壽命長,適配於各種為小型智能產品。
服務熱線:
| 產品名稱 | 10mm塑膠行星齒輪減速箱 | 材質 | 塑膠 |
| 旋轉方向 | CW&CCW | 電壓 | 3-5V |
| 適配馬達 | 直流有刷電機,直流無刷電機 步進電機 | 工作溫度 | -20℃-80℃ |
| 產品編號 | 減速比 | 額定電壓(V) | 空載轉速(rpm) | 空載電流(mA) | 額定負載(g.cm) | 負載轉速(rpm) | 負載電流(mA) | 堵轉力矩(g.cm) | 傳動效率(%) | ![]() |
| GB10-171-MD17001-3-M3.0 | 171 | 3 | 63 | 60 | 110 | 43 | 100 | 400 | 60 |
一級行星減速箱
二級行星減速箱
三級行星減速箱
四級行星減速箱
采用微小模數設計,最小模數0.15, 使之在有限空間內實現行星傳動,通過高精度的模具設備和注塑設備加工而成,有效保證了齒輪箱的有效運轉

配備高轉速馬達,采用大轉速比,非標模數,實現小空間,大扭矩輸出的結構,適合各種小型智能設備產品。

選用高強度,耐磨性好的塑膠原料,使用齒形設計軟件,采用非標齒形,使得齒輪強度更好,壽命更長。

銷售熱線:
13360643171


指紋鎖

智能玩具

電動牙刷

指紋鎖

手機支架
谘詢電話
客服二維碼