



塑膠行星齒輪減速箱
16mm多duo種zhong減jian速su比bi微wei型xing行xing星xing齒chi輪lun減jian速su箱xiang是shi科ke華hua精jing密mi自zi主zhu開kai發fa的de係xi列lie標biao準zhun品pin之zhi一yi減jian速su齒chi輪lun箱xiang材cai料liao采cai用yong高gao強qiang度du的de塑su膠jiao原yuan料liao,根gen據ju客ke戶hu需xu求qiu,可ke以yi選xuan配pei減jian速su比bi,擴kuo大da了le產chan品pin的de使shi用yong範fan圍wei。被bei日ri常chang生sheng活huo中zhong的de智zhi能neng產chan品pin廣guang泛fan使shi用yong
服務熱線:
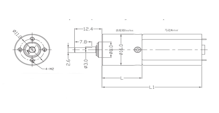
| 產品名稱 | 16mm減速齒輪箱 | 材質 | 塑膠 |
| 旋轉方向 | CW&CCW | 電壓 | 3-24V |
| 適配馬達 | 空心杯電機,直流有刷電機,直流無刷電機,步進電機 | 工作溫度 | -20℃-80℃ |
| 產品編號 | 減速比 | 額定電壓(V) | 空載轉速(rpm) | 空載電流(mA) | 額定負載(g.cm) | 負載轉速(rpm) | 負載電流(mA) | 傳動效率(%) | 減速箱長度(mm) | 總長(mm) |
|---|---|---|---|---|---|---|---|---|---|---|
| GB16-16-MD18005-2-M | 16 | 5 | 375 | 50 | 130 | 281 | 180 | 73 | 14.8 | 41.8 |
| GB16-24-MD18005-2-M | 24 | 5 | 250 | 50 | 195 | 187.5 | 180 | 73 | 14.8 | 41.8 |
| GB16-36-MD18005-2-M | 36 | 5 | 166.5 | 50 | 291 | 125 | 180 | 73 | 14.8 | 41.8 |
| GB16-64-MD18005-2-M | 64 | 5 | 93.5 | 55 | 467.2 | 70 | 190 | 65 | 18.1 | 45.1 |
| GB16-96-MD18005-2-M | 96 | 5 | 62.5 | 55 | 700.8 | 46.5 | 190 | 65 | 18.1 | 45.1 |
| GB16-144-MD18005-2-M | 144 | 5 | 41.5 | 55 | 1051.2 | 31 | 190 | 65 | 18.1 | 45.1 |
| GB16-216-MD18005-2-M | 216 | 5 | 27.5 | 55 | 1576.3 | 20.5 | 190 | 65 | 18.1 | 45.1 |
| GB16-256-MD18005-2-M | 256 | 5 | 23.5 | 60 | 1689 | 17.5 | 200 | 58 | 21.4 | 48.4 |
| GB16-384-MD18005-2-M | 384 | 5 | 15.5 | 60 | 2534 | 11.5 | 200 | 58 | 21.4 | 48.4 |
| GB16-576-MD18005-2-M | 576 | 5 | 10.5 | 60 | 3802 | 7.8 | 200 | 58 | 21.4 | 48.4 |
| GB16-864-MD18005-2-M | 864 | 5 | 7 | 60 | 5702 | 5.2 | 200 | 58 | 21.4 | 48.4 |
| GB16-1296-MD18005-2-M | 1296 | 5 | 4.5 | 60 | 8554 | 3.5 | 200 | 58 | 21.4 | 48.4 |
行星齒輪減速箱
采(cai)用(yong)微(wei)小(xiao)模(mo)數(shu)設(she)計(ji),采(cai)用(yong)多(duo)種(zhong)減(jian)速(su)比(bi)使(shi)之(zhi)在(zai)有(you)限(xian)空(kong)間(jian)內(nei)實(shi)現(xian)行(xing)星(xing)傳(chuan)動(dong),通(tong)過(guo)高(gao)精(jing)度(du)的(de)模(mo)具(ju)設(she)備(bei)和(he)注(zhu)塑(su)設(she)備(bei)加(jia)工(gong)而(er)成(cheng),有(you)效(xiao)保(bao)證(zheng)了(le)齒(chi)輪(lun)箱(xiang)的(de)有(you)效(xiao)運(yun)轉(zhuan)

配備高轉速馬達,采用多種轉速比,實現小空間,大扭矩輸出的結構,拓寬了使用範圍,適合各種小型智能設備產品。

選用高強度,耐磨性好的塑膠原料,使用齒形設計軟件,采用非標齒形,使得齒輪強度更好,壽命更長。

銷售熱線:
13360643171


自動開瓶器

智能垃圾桶

5G天線

旋轉氛圍燈

眼部按摩儀
谘詢電話
客服二維碼