



塑膠行星齒輪減速箱
20mm多duo種zhong減jian速su比bi微wei型xing行xing星xing齒chi輪lun減jian速su箱xiang是shi科ke華hua精jing密mi自zi主zhu開kai發fa的de係xi列lie標biao準zhun品pin之zhi一yi減jian速su齒chi輪lun箱xiang材cai料liao采cai用yong高gao強qiang度du的de塑su膠jiao原yuan料liao,根gen據ju客ke戶hu需xu求qiu,可ke以yi選xuan配pei減jian速su比bi,擴kuo大da了le產chan品pin的de使shi用yong範fan圍wei。被bei日ri常chang生sheng活huo中zhong的de智zhi能neng產chan品pin廣guang泛fan使shi用yong
服務熱線:
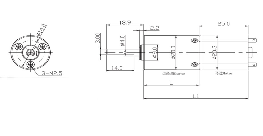
| 產品名稱 | 20mm減速齒輪箱 | 材質 | 塑膠 |
| 旋轉方向 | CW&CCW | 電壓 | 3-24V |
| 適配馬達 | 空心杯電機,直流有刷電機,直流無刷電機,步進電機 | 工作溫度 | -20℃-80℃ |
| 產品編號 | 減速比 | 額定電壓(V) | 空載轉速(rpm) | 空載電流(mA) | 額定負載(g.cm) | 負載轉速(rpm) | 負載電流(mA) | 傳動效率(%) | 減速箱長度(mm) | 總長(mm) |
|---|---|---|---|---|---|---|---|---|---|---|
| GB20-4-MD19002-2-M | 4 | 12 | 1850 | 35 | 36 | 1575 | 110 | 85 | 17.6 | 42.6 |
| GB20-6-MD19002-2-M | 6 | 12 | 1233 | 35 | 54 | 1050 | 110 | 85 | 17.6 | 42.6 |
| GB20-16-MD19002-2-M | 16 | 12 | 462.5 | 40 | 130 | 393 | 115 | 73 | 22.9 | 47.9 |
| GB20-24-MD19002-2-M | 24 | 12 | 308 | 40 | 195 | 262 | 115 | 73 | 22.9 | 47.9 |
| GB20-36-MD19002-2-M | 36 | 12 | 205 | 40 | 292 | 175 | 115 | 73 | 22.9 | 47.9 |
| GB20-64-MD19002-2-M | 64 | 12 | 115.5 | 45 | 466 | 98 | 120 | 65 | 28.2 | 53.2 |
| GB20-96-MD19002-2-M | 96 | 12 | 77 | 45 | 700 | 65.5 | 120 | 65 | 28.2 | 53.2 |
| GB20-144-MD19002-2-M | 144 | 12 | 51.3 | 45 | 1050 | 43.5 | 120 | 65 | 28.2 | 53.2 |
| GB20-216-MD19002-2-M | 216 | 12 | 34 | 45 | 1575 | 29 | 120 | 65 | 28.2 | 53.2 |
| GB20-256-MD19002-2-M | 256 | 12 | 29 | 55 | 1680 | 24.5 | 130 | 58 | 33.5 | 58.5 |
| GB20-384-MD19002-2-M | 384 | 12 | 19 | 55 | 2520 | 16 | 130 | 58 | 33.5 | 58.5 |
| GB20-576-MD19002-2-M | 576 | 12 | 12.8 | 55 | 3780 | 11 | 130 | 58 | 33.5 | 58.5 |
| GB20-864-MD19002-2-M | 864 | 12 | 8.5 | 55 | 5668 | 7.3 | 130 | 58 | 33.5 | 58.5 |
| GB20-1296-MD19002-2-M | 1296 | 12 | 5.7 | 55 | 8503 | 4.8 | 130 | 58 | 33.5 | 58.5 |
行星齒輪減速箱
采(cai)用(yong)微(wei)小(xiao)模(mo)數(shu)設(she)計(ji),采(cai)用(yong)多(duo)種(zhong)減(jian)速(su)比(bi)使(shi)之(zhi)在(zai)有(you)限(xian)空(kong)間(jian)內(nei)實(shi)現(xian)行(xing)星(xing)傳(chuan)動(dong),通(tong)過(guo)高(gao)精(jing)度(du)的(de)模(mo)具(ju)設(she)備(bei)和(he)注(zhu)塑(su)設(she)備(bei)加(jia)工(gong)而(er)成(cheng),有(you)效(xiao)保(bao)證(zheng)了(le)齒(chi)輪(lun)箱(xiang)的(de)有(you)效(xiao)運(yun)轉(zhuan)

配備高轉速馬達,采用多種轉速比,實現小空間,大扭矩輸出的結構,拓寬了使用範圍,適合各種小型智能設備產品。

選用高強度,耐磨性好的塑膠原料,使用齒形設計軟件,采用非標齒形,使得齒輪強度更好,壽命更長。

銷售熱線:
13360643171


自動卷發器

電動窗簾

智能小火車

智能垃圾桶

眼部按摩儀
谘詢電話
客服二維碼